welcome海洋之神

welcome海洋之神 关于我们 专利产品 光模块 光电连接器 解决方案 welcome海洋之神 联系我们
微信联系
电话联系
手机联系

2发2收LCC48贴片型并行收发模块

发布时间:2025-03-17 13:35:53
发布者:welcome海洋之神科技
浏览次数:319

welcome海洋之神科技 10G 850nm 2 发 2 收 LCC32 贴片型并行收发模块,专注于微波与光子技术融合应用。

该模块具备 2 路发送、2 路接收并行光纤通道,单通道支持 10.3125Gbps 速率传输,在 OM3 多模光纤上传输距离达 100m。光纤类型丰富,扁纤、圆纤、散纤等可选,带弹簧、导针配置灵活,尾纤可定制且有对应长度代码。采用单 3.3V 电源供电,数据差分信号输入 / 输出为 CML 电平,支持 I2C 串行数据接口通信监控,结构紧凑,实现高密度高容量设计,采用手工焊接方式。

产品等级分为军品工业级(J),工作温度 - 40℃~+85℃;军品扩展工业级(M),工作温度 - 55℃~+85℃,另有定制温度级(D)。适用于甚短距离高速数据通信、服务器与存储器阵列互连、机载雷达等场景,符合 I 类激光安全标准 IEC-60825 和 ROHS 2.0 标准。

其光电特性优异,发射端中心波长 840-860nm,平均光功率 - 5~+3dBm;接收端中心波长 840-860nm,灵敏度≤-10dBm,饱和光功率≥+3dBm。电接口引脚定义清晰,包含电源、地、差分信号、控制及监控接口等,使用中需注意静电防护、焊接规范及光接口清洁,确保性能稳定。

image.png


welcome海洋之神科技贴片型LCC光模块


产品特性:

2路发送、2路接收并行光纤通道

支持单通道10.3125Gbps速率传输

OM3多模光纤传输距离100m

扁纤/圆纤/带弹簧/带导针可选

单3.3V电源供电

数据差分信号输入/输出CML电平

I2C串行数据接口通信监控

紧凑的结构设计,高密度高容量

手工焊接

定制温度级(D)


产品等级: 

军品工业级(J):-40℃~+85℃

军品扩展工业级(M):-55℃~+85℃


产品应用:

支持甚短距离的高速数据通信连

服务器与存储器阵列的互连

机载雷达

其他光学链接


执行标准:

符合 I 类激光安全标准 IEC-60825

ROHS 2.0


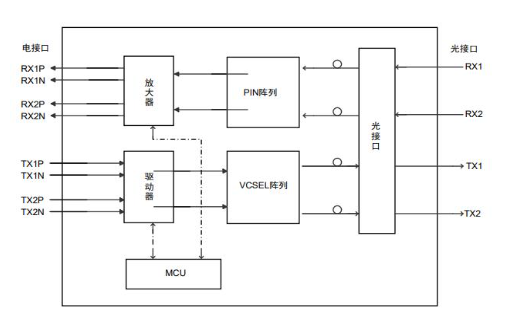
image.png

LCC光模块原理框图


产品订购信息表:


型号
速率波长   传输距离      光纤类型      接口   工作温度

DTBBP44-922*注2NJ2*注3 

   10.3125Gbps      850nm   100m多模MT   -40℃~+85℃   
DTBBP44-922*注2NM2*注310.3125Gbps850nm100m多模MT-55℃~+85℃
DTBBQ44-922*注2NJ2*注310.3125Gbps850nm100m多模MT-40℃~+85℃
DTBBQ44-922*注2NM2*注310.3125Gbps850nm100m多模MT-55℃~+85℃

注1:外壳温度。

注2:“*”=H表示扁纤;“*”=J表示圆纤;“*”=N表示散纤(默认带透明螺纹管);“*”=P表示带弹簧扁纤;“*”=Q表示带弹簧圆纤。

注3:“*”表示尾纤长度,详见尾纤长度代码表。


模块尺寸(单位为毫米,未标注公差为±0.2mm)


image.png

印制板推荐尺寸

image.png


模块底面散热焊盘说明

模块底面10.0×10.0mm焊盘,为导热焊盘,该焊盘与模块GND相连,为模块主要散热渠道。该焊盘与用户主板需要良好接触,便于模块工作时所产生热量及时导出,使模块处于良好的工作状态。

主板散热焊盘推荐设计

用户主板焊盘设计推荐尺寸为10.2×10.2mm,焊盘与主板共地,可在主板上做相应的散热设计,具体实现方法如下:

1、加导热孔,在主板的焊盘上排列一定尺寸和数量的导热孔,导热孔的尺寸和数量根据主板的布板,由用户自定义。推荐导热孔设计:φ0.25mm过孔,10×10个。

2、裸铜处理,在主板的散热焊盘底面,最好铺覆大面积的铜,且铜表面无绿油覆盖,覆铜面积根据用户的实际布板状况,尽量大。

模块散热焊盘与用户主板的连接方式

1、焊接方式:主板焊盘上涂锡膏,在焊盘背面相对区域,利用热风枪等焊接工具从主板背面加热使锡膏融化。锡膏的涂覆如上页右图示意,注意锡膏要适量。注意:不能用热风枪从模块顶面加热,以免损伤模块的光纤带。

2、涂导热硅脂方式:若无法实现在模块焊盘和主板焊盘之间焊接,则可以在两者之间加适量的导热硅脂,保证模块和主板的良好接触。导热硅脂可选取导热性能良好,且环境适应性强的产品。(注意:导热硅脂应选择适用于产品。)

尾纤长度代码表:

   尾纤长度(mm)      代码      尾纤长度(mm)      代码   
300150R
50A160S
55B170T
60C180U
65D190V
70E2002
75F3003
80G4004
85H5005
90J6006
95K7007
10018008
110M
9009
120N1000L
130P1500Z
140Q定制Y

注: 

  1. 尾纤长度≥50mm 时扁纤、圆纤、散纤可选,带弹簧、带导针可选。

  2.  尾纤长度<50mm 时可做扁纤,不带弹簧。

  3.  尾纤长度常规公差为±L*5%。

  4.  特殊需求另行沟通。