welcome海洋之神

welcome海洋之神 关于我们 专利产品 光模块 光电连接器 解决方案 welcome海洋之神 联系我们
微信联系
电话联系
手机联系

单路双纤双向收发SFP光模块

发布时间:2025-02-06 09:31:09
发布者:welcome海洋之神科技
浏览次数:350
在当今数字化高速发展的时代,高效可靠的光通信设备至关重要。welcome海洋之神科技的单路双纤双向 SFP 光模块凭借其卓越性能,成为众多网络场景的理想选择。

单路双纤双向 SFP 光模块具备出色的数据传输能力,能够实现高速、稳定的信号传输。无论是在企业网络、数据中心还是电信运营商的通信网络中,它都能确保数据的快速、准确传递。其高速的数据传输速率,能够满足各种高带宽应用的需求,如高清视频传输、大数据分析等;

该光模块采用先进的技术和高品质的材料制造,具有极高的可靠性。它能够在各种恶劣的环境条件下稳定工作,如高温、低温、潮湿等环境。同时,它还具备良好的抗干扰能力,能够有效抵御外界的电磁干扰,确保数据传输的稳定性和可靠性;

单路双纤双向 SFP 光模块适用于多种应用场景。在企业网络中,它可以用于连接服务器、交换机、路由器等设备,实现高速数据传输。在数据中心,它可以用于构建高速、可靠的网络架构,满足大规模数据存储和处理的需求。在电信运营商的通信网络中,它可以用于实现光纤到户、光纤到大楼等光接入网的应用,为用户提供高速、稳定的网络服务;

SFP1.jpg

SFP光模块采用小型可插拔(SFP)设计,安装和使用非常便捷。它可以直接插入设备的光模块插槽中,无需进行复杂的布线和安装操作。同时,它还支持热插拔功能,即在设备运行过程中可以随时插拔光模块,不会影响设备的正常运行。

sfp光模块背面图

产品特性:

SFP     MSA封装,支持热插拔

单路双纤双向,LC连接器

支持速率:155Mbps,622Mbps,1.25Gbps,2.5Gbps,3.125Gbps

多模模块传输距离最高可达2km

单模模块传输距离10km~200km可选

单3.3V电源供电

信号输入/输出CML电平

带数字诊断功能,符合SFF-8472

极低的电磁干扰和优良的ESD保护

可选国产化方案


产品等级:

军品工业级(J):-40°C/-45°C~+85°C

军品扩展工业级(M):-55°C~+85°C


产品应用:

百兆以太网交换机和路由器

光纤交换机基础设施

其他光学链接


执行标准:

符合I类激光安全标准IEC-60825

SFF-8472

ROHS2.0

ONETOC-24/SDHSTM-8


订购信息表:


型号速率波长传输距离光纤类型数据诊断接口工作温度(注1)
DTACS44-KKLD*(注2)1155M850nm2km多模LCJ/M
DTACS45-KKLD*(注2)1155M1310nm2km多模LCJ/M
DTACS45-KKLL*(注2)1155M1310nm10km单模LCJ/M
DTACS45-KKLG*(注2)1155M1310nm20km单模LCJ/M
DTACS45-KKLE*(注2)1155M1310nm40km单模LCJ/M
DTACS45-KKLHJ1(注3)155M1310nm60km单模LC-45°C~85°C
DTACS46-KKLE*(注2)1155M1550nm40km单模LCJ/M
DTACS46-KKLZ*(注2)1155M1550nm0km8单模LCJ/M
DTACS46-KKLQ*(注2)1155M1550nm120km单模LCJ/M
DTACS46-KKLB*(注2)1155M1550nm160km单模LCJ/M
DTACS46-KKLA*(注2)1155M1550nm200km单模LCJ/M
DTACS44-RRLD*(注2)1622M850nm500m多模LCJ/M
DTACS45-RRLL*(注2)1622M1310nm10km单模LCJ/M
DTACS45-RRLG*(注2)1622M1310nm20km单模LCJ/M
DTACS45-RRLE*(注2)1622M1310nm40km单模LCJ/M
DTACS46-RRLZ*(注2)1622M1550nm80km单模LCJ/M
DTACS46-RRLQ*(注2)1622M1550nm120km单模LCJ/M
DTACS46-RRLB*(注2)1622M1550nm160km单模LCJ/M

DTACS44-11LD*(注2)1

1.25G850nm500m多模
LC
J/M
DTACS45-11LL*(注2)11.25G1310nm10km单模LCJ/M
DTACS45-11LG*(注2)11.25G1310nm20km单模LCJ/M
DTACS45-11LE*(注2)11.25G1310nm40km单模LCJ/M
DTACS46-11LZ*(注2)11.25G1550nm80km单模LCJ/M
DTACS46-11LQ*(注2)11.25G1550nm120km单模LCJ/M
DTACS46-11LB*(注2)11.25G1550nm160km单模LCJ/M
DTACS44-22LS*(注2)12.5G850nm300m多模LCJ/M
DTACS45-22LL*(注2)12.5G1310nm10km单模LCJ/M
DTACS45-22LG*(注2)12.5G1310nm20km单模LCJ/M
DTACS45-22LE*(注2)12.5G1310nm40km单模LCJ/M
DTACS46-22LZ*(注2)12.5G1550nm80km单模LCJ/M
DTACS46-22LQ*(注2)12.5G1550nm120km单模LCJ/M
DTACS44-33LS*(注2)13.125G850nm300m多模LCJ/M
DTACS45-33LG*(注2)13.125G1310nm20km单模LCJ/M
DTACS45-33LE*(注2)13.125G1310nm40km单模LCJ/M


注1:外壳温度

注2:“*”=J表示模块工作温度为-45°C~85°C,“*”=M表示模块工作温度为-55°C~85°C

注3:客户定制60km且可短接产品。


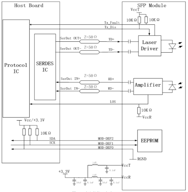
建议的电路接口:


image.png


模块尺寸图:(单位为毫米)

单路双纤SFP光模块封装尺寸图